Арт.: 023864

Профиль FOLED-CEIL-SIDE-2000 (Arlight, Алюминий)

Распечатать
Поделиться
Общие характеристики
Тип товара
Профиль
Назначение
Для натяжных потолков
Цвет покрытия
Серебристый
Модельный ряд
FOLED
Форма (сечение)
-
Материал корпуса
Алюминий
Индивидуальная покраска
Возможна
Гарантийный срок
2 год(а)
Система фиксации полотна
Гарпунная
Совместимый тип полотна
ПВХ плёнка
Способ монтажа
Встраиваемый со скрытым фланцем
3 57630 ₽/м

В наличии

Пленочная упаковка (полистирол) 2 м — 7 15260
Пленочная упаковка (полистирол) 2 м 7 15260
Способы получения заказа Способы получения заказа Курьерская доставка по Москве и Московской области. Самовывоз Доставка в ваш регион
Описание
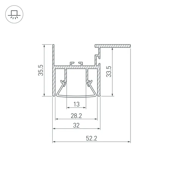
Встраиваемый алюминиевый профиль (боковая линия - монтаж к потолку) для дизайнерских решений «линии света» в натяжных потолках. Решение 2-в-1: служит каркасом для крепления натяжного потолка и профилем для установки светодиодной ленты. Габаритные размеры профиля составляют 2000 мм в длину, 52,2 мм в ширину и 35,5 мм в высоту. Площадка для установки светодиодных лент позволяет использовать ленту шириной до 13 мм и мощностью до 43 Вт/м. Это обеспечивает гибкость в выборе светодиодных лент и создает потрясающие световые решения. Экран, заглушки и другие аксессуары не включены в комплект и приобретаются отдельно. Цена указана за 1 метр профиля. Отличное решение для создания современных световых проектов.
Характеристики
Алюминиевый профиль для натяжных потолков (боковая линия - монтаж к потолку). Решение 2-в-1 - каркас для крепления натяжного потолка и профиль для установки светодиодной ленты. Для дизайнерских решений «линии света» в натяжных потолках. Монтируется к потолку, накладной способ. Натяжной потолок крепится к профилю с одной стороны. Габаритные размеры (L×W×H): 2000x52,2x35,5 мм. Ширина площадки для ленты 13 мм. Экраны, заглушки и другие аксессуары приобретаются отдельно. Цена за 1 метр.
Общие
Артикул
023864
Тип товара
Профиль
Назначение
Для натяжных потолков
Цвет покрытия
Серебристый
Модельный ряд
FOLED
Форма (сечение)
-
Материал корпуса
Алюминий
Индивидуальная покраска
Возможна
Гарантийный срок
2 год(а)
Система фиксации полотна
Гарпунная
Совместимый тип полотна
ПВХ плёнка
Способ монтажа
Встраиваемый со скрытым фланцем
Светотехнические
КПД профиля (cветовой)
79 %
Эксплуатационные
Внешний вид поверхности
Глянцевая
Покрытие поверхности
Без покрытия
Ширина световой линии
26.9 мм
Рассеиваемая тепловая мощность на 1м
max: 43 W
Габариты
Длина
2000 мм
Ширина
52.2 мм
Высота
35.5 мм
Ширина площадки
13.2 мм
Глубина установки источника света
18 мм
Другие
Кратность цены за 1 м/шт
1
Модели серии (9)
Страница серии
Item 1 of 9